I can't find the PCB for V2, please help

Hello,

I’m looking for the PCB for the following on GitHub:

There are many PCBs there, but I’d like this one.

Does anyone happen to have it as a Gerber file?

Hello,

I’m looking for the PCB for the following on GitHub:

There are many PCBs there, but I’d like this one.

Does anyone happen to have it as a Gerber file?

1 Like

This is just guessing on my part, if we could see the name on the PCB we’d know:

otherwise I’d guess:

Looks like an older version of the Zynaptik (with through hole components).

Ah, well there are three versions of Zynaptik_v1, Zynaptik_v2, Zynaptik_v3 in github:

1 Like

I downloaded the Gerber.zip file, and when I upload it to the AISLER website, the layout I’m looking for is definitely not displayed.

Yes, but only for V5.

@D64FAN63 is looking for a V2 version.

Apparently there is no history in github.

Exactly, see my previous post.
You need a V2 repository.

I’m in the V2 folder, but the Gerber.zip file doesn’t seem to contain the file.

It Looks Like AllInOne to me

I hope I’m right

3 Likes

Thank you, that’s it! My God, I can finally order it!!! I’m so happy! Regards, Peter

3 Likes

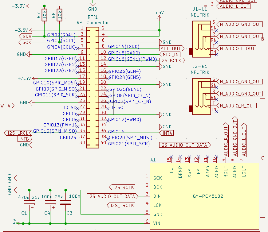
Taking advantage of this topic, I would like to know if someone could help me. I would like to add a second DAC5102. I am using Zynaptik 2, and I already have a DAC5102. Here is the diagram.

1 Like

What type of help do you need? I don’t know how big a project adding a 2nd DAC would be, and what the hurdles are from a hardware and software perspective.

Hi how do I get Zynthian to recognize both DAC5102s? The first one is recognized normally and uses GPIO 21 (I2S_AUDIO_OUT_DATA_01), while the second one uses GPIO 32 (I2S_AUDIO_OUT_DATA_02), but it doesn’t recognize the second DAC. It’s configured as a HiFiberry DAC Light.

1 Like

HiFiberry DAC Light only supports a single (stereo) DAC. You may find this works with Hifiberry DAC8X but maybe more likely with Zynaudio8X.

Zynaudio8X uses an ALSA driver written by me for a project described else where in the forum for up to 4 x stereo I2S DACs. IIRC it may also support up to 4 x stereo ADCs. Selecting it in webconf HARDWARE->Audio, Soundcard drop-down list will populate Driver Config:

dtoverlay=zynaudio8x,inputs=8,outputs=8

You can change this to have fewer inputs and outputs, e.g.

dtoverlay=zynaudio8x,inputs=0,outputs=4

[I deleted the duplicate post from another thread. Please avoid double posting.]

1 Like

Hi, thank you very much. I used this Hifiberry DAC8X and it recognized it perfectly.

1 Like

Be lovely to see pictures of how this is looking?

7 Likes

The drilling for the P10 jacks of channels 3 and 4 still needs to be done.

A lovely looking thing!